Elektromechanické pohony MPOF s havarijní funkcí pro ventily Optima Compact
Elektromechanické pohony MPOF s havarijní funkcí pro ventily Optima Compact

Pohony řady MPOF jsou elektromechanické ovládací pohony s havarijní funkcí s NFC komunikací určené pro 2-cestné a 3-cestné regulační ventily s pracovním zdvihem do 8,5 mm.
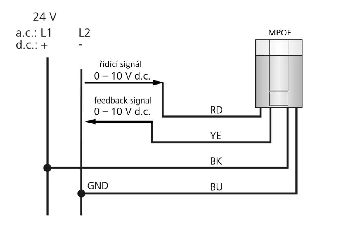
Napájení: 24V AC/DC
Řízení: typicky 0(2)-10V, ale pohon umožňuje nastavit prakticky libovolný rozsah řídícího signálu v rozmězí 0-10V
Použití:
- Tlakově nezávislé 2-cestné regulační ventily Optima Compact / Optima Compact Plus DN 10-32
- Kombinované 2-cestné regulační ventily D 9525 (doporučený rozsah nastevení ventilu 8 - 9,5)
- 2-cestné a 3-cestné regulační ventily řady VSXT, VMXT a VTXT
- 2-cestné a 3-cestné regulační ventily řady VSX, VMX a VTX
- 2-cesné a 3-cestné regulační ventily dalších výrobců s pracovním zdvihem do 8,5mm a potřebnou ovládací silou do 200N
Neváhajte nás osloviť - radi pre vás pripravíme kalkuláciu celého projektu.
Elektromechanické pohony MPOF s havarijní funkcí pro ventily Optima Compact
Dopyt po produkteVarianty
| Varianta produktu | pro ventil | Obj. číslo | Cena bez DPH | BIM | DWG |
|---|---|---|---|---|---|
| Elektromechanický pohon MPOF s havarijní funkcí 24V 0-10V, kabel 1m | Optima Compact DN 10-20, zdvih 2,5mm | MPOF46-3-1-10 | na otázku | ||
| Elektromechanický pohon MPOF s havarijní funkcí 24V 0-10V, kabel 1m | Optima Compact DN 10-20, zdvih 5mm | MPOF46-3-1-41 | na otázku | ||
| Elektromechanický pohon MPOF s havarijní funkcí 24V 0-10V, kabel 1m | Optima Compact DN 20-32, zdvih 5,5mm | MPOF46-3-1-63 | na otázku | ||
| Elektromechanický pohon MPOF s havarijní funkcí 24V 0-10V, kabel 1m, zpětné hlášení polohy | Optima Compact DN 10-20, zdvih 2,5mm | MPOF46-4-1-10 | na otázku | ||
| Elektromechanický pohon MPOF s havarijní funkcí 24V 0-10V, kabel 1m, zpětné hlášení polohy | Optima Compact DN 10-20, zdvih 5mm | MPOF46-4-1-41 | na otázku | ||
| Elektromechanický pohon MPOF s havarijní funkcí 24V 0-10V, kabel 1m, zpětné hlášení polohy | Optima Compact DN 20-32, zdvih 5,5mm | MPOF46-4-1-63 | na otázku | ||
| Elektromechanický pohon MPOF s havarijní funkcí 24V 0-10V, kabel 2m | Optima Compact DN 10-20, zdvih 2,5mm | MPOF46-3-2-10 | na otázku | ||
| Elektromechanický pohon MPOF s havarijní funkcí 24V 0-10V, kabel 2m | Optima Compact DN 10-20, zdvih 5mm | MPOF46-3-2-41 | na otázku | ||
| Elektromechanický pohon MPOF s havarijní funkcí 24V 0-10V, kabel 2m | Optima Compact DN 20-32, zdvih 5,5mm | MPOF46-3-2-63 | na otázku | ||
| Elektromechanický pohon MPOF s havarijní funkcí 24V 0-10V, kabel 2m, zpětné hlášení polohy | Optima Compact DN 10-20, zdvih 2,5mm | MPOF46-4-2-10 | na otázku | ||
| Elektromechanický pohon MPOF s havarijní funkcí 24V 0-10V, kabel 2m, zpětné hlášení polohy | Optima Compact DN 10-20, zdvih 5mm | MPOF46-4-2-41 | na otázku | ||
| Elektromechanický pohon MPOF s havarijní funkcí 24V 0-10V, kabel 2m, zpětné hlášení polohy | Optima Compact DN 20-32, zdvih 5,5mm | MPOF46-4-2-63 | na otázku |
Popis
Pohony řady MPOF s havarijní funkcí jsou 24V / 0(2)-10V elektromechanické ovládací pohony s NFC komunikací určené pro 2-cestné a 3-cestné regulační ventily s pracovním zdvihem do 8,5 mm.
Pro nastavení a čtení dat z pohonu není potřeba žádné speciální zařízení, postačí mobilní telefon nebo tablet s NFC a s operačním systémem Android nebo iOS.
Nastavit lze náspedující parametry:
- Logiku regulace (min. úroveň řídícího signálu = dřík vysunut / zasunut, max. úroveň řídícího signálu = dřík vysunut / zasunut)
- Volba rozsahu řídícího signálu - typicky 0-10V, 2-10V ... ale nastavit lze jakýkoli pracovní rozsah v kroku 0,1V a v rozmezí 0-10V.
- Ovládací sílu - 100, 125, 150 nebo 200N
- Rychlost - 15s/mm nebo 30s/mm
- Autokalibraci na zdvih daného ventilu (zapnout / vypnout autokalibraci) nebo možnost ručního zadání pracovního zdvihu použitého ventilu
- Logiku havarijní funkce - 0% (zcela zavřeno) až 100% (zcela otevřeno) nastavit lze v kroku po 1% pracovního zdvihu.
- Možnost aktivace funkce "bypass" - v pozici zavřeno např. řídící signál 0V nebude ventil zcela uzavřen, ale bude jím protékat zvolené množství. Možnost volby v rozmezí 0% (zavřeno, funkce "bypass" deaktivovaná) až 50%.
- Zobrazení na displeji aktuální zdvih ventilu v mm nebo v % otevření
- Lineární nebo EQM charakteristika ventilu
- Rozsah zpětného hlášení polohy (1-9V, 1-5V nebo 0-10V) - pouze provedení se zpětným hlášením polohy
Funkce:
- Plynulá regulace výkonu spotřebiče spojitým napěťovým řídícím signálem 0–10 V, 2–10 V nebo v jiném rozsahu
- Možnost bezpečného uzavření ovládaného ventilu
- Ruční ovládání
| Připojení | M30×1,5 | |
|---|---|---|
| Max.pracovní zdvih | až 8,5 mm (autokalibrace) | |
| Rychlost přestavení | volitelně 15 nebo 30 s/mm | |
| Krytí | IP 54 | |
| Pracovní teplota | 0–50 °C | |
| Napájení | 24V AC/DC | |
| Regulace |
| |
| Značení | typ, napájení, příkon, CE |
NFC Android NFC iOS


Použitie
Použití elektromechanických pohonů MPOF 46xx:
Pohony slouží především pro ovládání tlakově nezávislých 2-cestných regulačních ventilů Optima Compact / Optima Compact Plus DN 10 - DN 32, kombinovaných 2-cestných regulačních ventilů D 9525, 2-cestných a 3-cestných regulačních ventilů řady VSXT, VMXT a VTXT i ventilů dalších výrobců spojitým napěťovým řídícím signálem.

Termostatické radiátorové ventily
Tlakově nezávislé termostatické radiátorové ventily
Termostatické hlavice
RTL ventily - obmedzovače teploty spiatočky
Meracie clony
Ručné vyvažovacie ventily
Automatické vyvažovacie ventily
Tlakovo nezávislé 2-cestné regulačné ventily
Regulačné ventily malých spotrebičov
2-cestné regulačné ventily
3-cestné regulačné ventily
Regulačné guľové kohúty
Termoelektrické ovládacie pohony
Elektromechanické ovládacie pohony
Regulátory tlakovej diferencie
Termostatické zmiešavacie ventily
Guľové kohúty s integrovaným filtrom a magnetom
Prírubové potrubné filtre
Uzatváracie medziprírubové klapky
Izolační pouzdra pro ventily a ovládací pohony
HVAC ventily a ovládacie pohony - náhradné diely
Nástenné fancoily
Parapetné fancoily
Kazetové fancoily
Neopláštené vysokotlaké fancoily
Fancoily pre bytové použitie
Fancoily pre hotely
Regulácia pre fancoily
Teplovzdušné jednotky
Chladiace vodné jednotky
Destratifikátory
Dverné a vrátové clony
Sálavé panely
Ventilové sady k fancoilom
Elektrostatické filtre Crystall
Náhradné diely pre fancoily teplovzdušné jednotky a dveřní clony
Čerpadlá kondenzátu
Nástenné regulátory
Teplotné čidlá
Termostaty
Elektromechanické ovládacie pohony
Termoelektrické ovládacie pohony
Tlakovo nezávislé 2-cestné regulačné ventily
2-cestné regulačné ventily
3-cestné regulačné ventily
Regulačné guľové kohúty
Regulačné ventily malých spotrebičov
Izolační pouzdra pro regulační ventily a ovládací pohony Hydronix
Izolační pouzdra pro regulační ventily a ovládací pohony jiných výrobců
Náhradné diely pre regulačné ventily a ovládacie pohony
Teplovzdušné jednotky so zmiešavacou komorou
Rekuperačné jednotky
Koncové prvky VZT rozvodov
Designové ventilové sady pro koupelny
Exkluzivní designové ventilové sady pro koupelny
Designové termostatické ventily pro desková a článková tělesa
Designové termostatické hlavice
Designové RTL ventily
RTL ventily - obmedzovače teploty spiatočky
Univerzální topné tyče pro koupelnová tělesa
Exkluzivní topné tyče pro koupelnová tělesa
Topné tyče s Wi-Fi a Android / iOS aplikací
Topné tyče pro horizontální instalaci - pro článková otopná tělesa
Vykurovacie tyče pre kúpeľňové vykurovacie telesá
Příslušenství pro designová otopná tělesa a topné tyče
Náhradní díly pro designové ventily
Náhradní díly pro topné tyče
Výrobky s krytím IP55 až IP66
Bezsilikónové produkty
Ventily pre pitnú vodu
Produkty pre výbušné prostredie